首页
材料科技
产品展示
鱼竿手把系列
路亚筏钓系列
马口系列
矶海船钓系列
螺帽
配件
护帽
钓箱
色样
新闻资讯
关于我们
公司简介
联系我们
中文
English
搜 索
产品展示
首页
> 产品展示
>
配件
> GRC系列
图片展示
下载图片
GRC
GRC
产品名称:
GRC系列
自定义模型颜色
颜色1
颜色2
产品咨询: 0510-83798410
碳纤维材质产品展示
GRC系列
GRC
产品信息
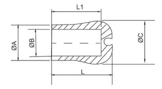
GRC系列
SIZE
ФA
ФB
ФC
L
L1
27#
27
13.5-22(间隔0.5MM)
33
44
33.5
29#
29
17.0-25(间隔0.5MM)
33
46
36.0
推荐产品
海竿手把
JH-1
JH-2
筏竿手把
滴塑标尾件-BC